ads/auto.txt

Definition For Power Supply Unit

What Is Power Supply

What Is Power Supply

Power Supply Classification And Its Various Types

Power Supply Classification And Its Various Types

Power Supply Basics Wavelength Electronics

Power Supply Basics Wavelength Electronics

Power Supply Cables And Connectors Pcinside Info

Power Supply Cables And Connectors Pcinside Info

مولد الطاقة Power Supply يقوم بتحويل الطاقة الكهربائية إلى الشكل المناسب لدوائر الحاسوب فهو غالبا يقوم Computer Hardware Computer System Hardware Components

مولد الطاقة Power Supply يقوم بتحويل الطاقة الكهربائية إلى الشكل المناسب لدوائر الحاسوب فهو غالبا يقوم Computer Hardware Computer System Hardware Components

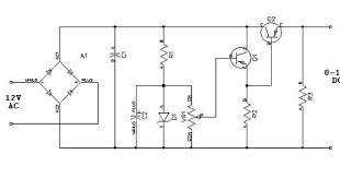
Power Supply 0 To 12 V Circuit Diagram Power Supply Power

Power Supply 0 To 12 V Circuit Diagram Power Supply Power

Power Supply 0 To 12 V Circuit Diagram Power Supply Power

The power supply converts a 110 115 or 220 230 volt ac alternating current into a steady low voltage dc direct current usable by the computer and rated by the number of watts it generates.

Definition for power supply unit. A power supply unit psu converts mains ac to low voltage regulated dc power for the internal components of a computer. A power supply is an electrical device that supplies electric power to an electrical load. As a result power supplies are sometimes referred to as electric power converters. It is mainly an electronic power supply device used in desktop computer systems.

Unter einem netzteil einer power supply unit psu versteht man die einheit innerhalb eines gerätes die die elektronischen schaltungen mit den entsprechenden spannungen und strömen versorgt. It is mostly used in domestic products like personal computers. A power supply is a hardware component that supplies power to an electrical device. Die versorgungsspannungen werden dabei aus der netzspannung erzeugt.

N also called a power supply unit or psu the component that supplies power to a computer. Some power supplies have a manual switch for selecting input voltage while others automatically adapt to the mains voltage. This term was viewed 10 470 times. Modern personal computers universally use switched mode power supplies.

Most personal computers can be plugged into standard electrical outlets. The primary function of a power supply is to convert electric current from a source to the correct voltage current and frequency to power the load. Smps stand for switch mode power supply. The power supply unit or psu is a component of your computer that provides electricity to the rest of the components in your computer.

Abbreviated as ps or p s a power supply or psu power supply unit is a hardware component of a computer that supplies all other components with power. The power supply then pulls the required amount of electricity and converts the ac current to dc current. The main purpose of using an smps is to transfer power from ac source to dc applicants while converting voltage and current.

Atx Wire Color Codes Computer Power Supplies Computer Supplies Atx

Atx Wire Color Codes Computer Power Supplies Computer Supplies Atx

What Is A Power Supply Unit Psu

What Is A Power Supply Unit Psu

Ax1500i Digital Atx Power Supply Globalscope Qatar Qatardeals Qataroffers Http Www Globalscope Qa Ax1500i Computer Power Supplies Power Supply Custom Pc

Ax1500i Digital Atx Power Supply Globalscope Qatar Qatardeals Qataroffers Http Www Globalscope Qa Ax1500i Computer Power Supplies Power Supply Custom Pc

Regulated Power Supply What Are They Plus Circuit Diagram

Regulated Power Supply What Are They Plus Circuit Diagram

Shuttle Pc35i2402 Power Supply Replacement 79 99 Computer Power Supplies Power Supply Power

Shuttle Pc35i2402 Power Supply Replacement 79 99 Computer Power Supplies Power Supply Power

Pc Power Supply Output Bricolage Electronique Electronique Pratique Electronique

Pc Power Supply Output Bricolage Electronique Electronique Pratique Electronique

Us 2 Pin Ac Dc Power Supply Adapter Plug For Xtrons Overhead Units Home Use Adapter Power Adapter Adapter Plug

Us 2 Pin Ac Dc Power Supply Adapter Plug For Xtrons Overhead Units Home Use Adapter Power Adapter Adapter Plug

Pin On Electrical Equipment Supplies

Pin On Electrical Equipment Supplies

Antec Launches Hcp 1300 Power Supply For Bitcoin Mining Chiploco 80 Plus Power Supply Platinum

Antec Launches Hcp 1300 Power Supply For Bitcoin Mining Chiploco 80 Plus Power Supply Platinum

Cooler Master 450 Watts Gx Power Supply Cooler Master Power Supply Computer Components

Cooler Master 450 Watts Gx Power Supply Cooler Master Power Supply Computer Components

Pin On Power Supply

Pin On Power Supply

Microcontroller Pin Definition Microcontrollers Definitions Power Supply

Microcontroller Pin Definition Microcontrollers Definitions Power Supply

Externally Fused Capacitor Unit Bank Capacitors Electrical Engineering Electrician

Externally Fused Capacitor Unit Bank Capacitors Electrical Engineering Electrician

Python Program To Calculate Electricity Bill Electricity Bill Python Programming Language Functions

Python Program To Calculate Electricity Bill Electricity Bill Python Programming Language Functions

Source : pinterest.com